'); })();
首页 > 路桥工程 > 路桥图纸

[国企]城市支路全十册图纸(2021+274p)

文件类型: pdf
界面语言: 简体中文
运行环境: NT/2000/XP/2003/Vista
授权方式: 共享软件
软件大小: 112.99MB
软件等级:
资料类型: 规范
软件登陆: admin
作 者 :
解压密码: www.tmgczl.com
点数: 4点
点数说明: 下载点数获取方式:
(1)通过充值获取点数在线充值
(2)通过每天签到获取点数,每天赠送的点数随机签到
(3)通过共享资料,别人下载有收益分成发布
下载地址: [ 权限:普通会员 下载地址1 ]
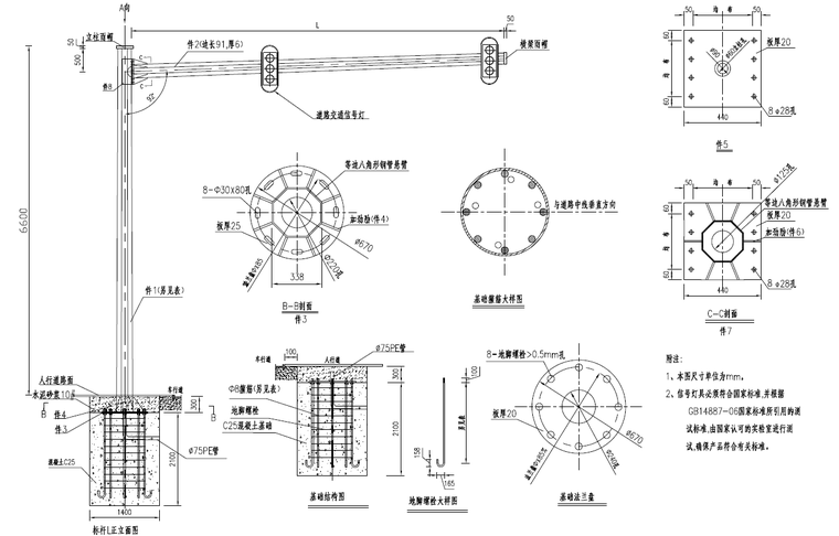
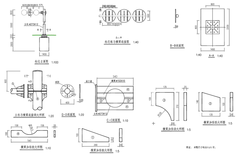
软件简介: 本资料为:[国企]城市支路全册图纸2021+274p ,格式为PDF,共274p,编制于2021年。包含:S1 道路工程 S2 交通工程 S3 涵洞工程 S4 管综综合工程 S5 排水工程 S6 给水工程 S7 电力工程 S8 照明工程 S9 通信工程 S10 绿化工程 一、图纸目录: 1图纸总目录,2道路工程设计说明,3工程地理位置图,4路网竖向标高布置图,5路网坐标布置图,6路网交通组织图,7道路平面线位图表,8道路平面设计图,9道路逐桩坐标表,10道路纵断面设计图,11道路竖曲线设计表,12道路典型横新面设计图,13相关道路标准横断面图,14一般路基设计图,15横断面设计图,16路基防护工程设计图,17路面结构设计图,18人行道铺装设计图,19道路无障碍设计图,20路基排水工程设计图,21平面交叉一览表,22平面交叉定位图,23平面交叉竖向设计图,24路基土石方数量表,25主要工程数量表 二、工程概况: xx路道路建设工程路线全长约1.205km,逍路修建长度为1.157km,逍路红线宽30m。 建设内容工程内容包括道路、交通设施、涵洞、管线综合、雨水、污水、给水、电力、路灯、通信、道路绿化等工程本册图纸为xx道路建设工程道路工程施工图图纸。 三、主要技术标准: (1)道路等级和设计速度:城市支路,30km/h (2)道路净空:机动车道:>5.0m非机动车道、人行道:>2.5m (3)荷载等级:路面设计标准轴载:BZ-100,桥涵、挡土墙等结构设计荷载:车行道城一A级,人行道4kPa (4)设计年限:沥青路面设计基准期10年 (5)车道宽度:车行道宽度3.5m,路缘带0.25m (6)抗震设防标准:基本烈度7度,地震动峰值加速度0.15g (7)道路横坡:机动车道向外2.0%,非机动车道和人行道为2.0%反向。 四、相关图片: [国企]城市支路全十册图纸(2021+274p)_1 道路给水平面设计图.png [国企]城市支路全十册图纸(2021+274p)_2 标志结构大样图.png [国企]城市支路全十册图纸(2021+274p)_3 标志结构设计图.png [国企]城市支路全十册图纸(2021+274p)_4 典型横断面设计图.png [国企]城市支路全十册图纸(2021+274p)_5 路面结构设计图.png [国企]城市支路全十册图纸(2021+274p)_6 人行道无障碍设计图.png [国企]城市支路全十册图纸(2021+274p)_7 通信管道开挖回填.png [国企]城市支路全十册图纸(2021+274p)_8 信号灯标志杆结构图.png [国企]城市支路全十册图纸(2021+274p)_9 一般路基设计图.png [国企]城市支路全十册图纸(2021+274p)_10 照明工程材料数量表.png
下载帮助: 发表评论 加入收藏夹 错误报告
版权声明

本文仅代表作者观点,不代表本站立场。
本文有所侵权,违规,请发送链接至 tmgczl@163.com一个工作日内处理完毕

本文地址:https://www.tmgczl.com//luqiao/luqiaotuzhi/2021-08-23/100731.html

留言与评论(共有 条评论)

   
验证码:
资诺讯广告飞猫资源网

Powered By 工程资料

使用手机软件扫描微信二维码